一、综合管网中的各种井与口
建筑综合管网中的各类井与口,如污水井、雨水井、雨水口等。虽然这些名词的字面意义在网上可以轻易查找到,但为了更直观地理解,我们将结合图文和施工过程进行详细解析,旨在帮助新手设计师们能够更全面地掌握这些关键概念。
一、雨水井
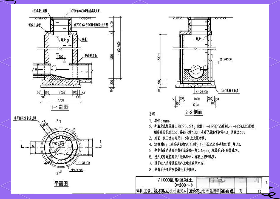
雨水井,亦被称为“雨水检查井”,其设计巧妙,侧面设有孔洞与排水管道相通,而底部则配备了向下延伸的渗水管。这一设计不仅能让雨水得以向地下自然补充,还能确保多余的雨水通过排水管道顺畅排出,从而有效减缓地面沉降并预防暴雨时路面被水淹没。此外,井内还设有篮筐,其作用是拦截污物,防止排水管道堵塞,并便于日常的清理工作。
雨水井主要连接的是用于排雨水的管道,其设计考虑到了管道可能出现的堵塞情况,方便人员进入进行疏通和检查。因此,它也被称为“雨水检查井”。相对而言,“污水检查井”则是用于排放厕所、厨房等产生的粪便和油污污水。这两种检查井虽然功能相似,但连接的管道类型有所不同。在景观设计中,由于通常没有排污需求,所以我们经常接触到的是雨水井。
在室外生活排水系统中,当排水管道的管径小于或等于150毫米时,检查井的间距不应超过20米;而管径大于或等于200毫米时,这一间距则应控制在30米以内。对于市政排水管道,其上的检查井间距通常不应超过50米。在实际应用中,30米通常被视为一个常用的标准距离。然而,在遇到管道转弯或交接等特殊情况时,需要增加检查井的数量,并确保两井之间保持直线段。
![图片[1]-专题:室外排水设计 - 优集之狐-优集之狐](https://www.ujzhu.com/wp-content/uploads/2025/07/image-95.png)
![图片[2]-专题:室外排水设计 - 优集之狐-优集之狐](https://www.ujzhu.com/wp-content/uploads/2025/07/image-96.png)
雨水井井盖上方通常会标有“雨”字,以区别于污水井。这两种井盖一般是圆形的铸铁材质,虽然耐用,但可能不够美观,且圆形与地面铺装难以完美相接。因此,在景观设计中,为了保持地面铺装的整体性和美观性,通常会采用“装饰井盖”来覆盖原有的铸铁井盖。
最常用的“装饰井盖”是在3~5厘米厚的不锈钢框边内进行水泥砂浆贴铺装,这样能够确保与周边的铺装风格保持一致。而在绿化区域中,则常采用种植井盖,这种井盖的设计允许在井盖上方覆土种植草皮或地被植物。
![图片[3]-专题:室外排水设计 - 优集之狐-优集之狐](https://www.ujzhu.com/wp-content/uploads/2025/07/image-97-1024x529.png)
△上图展示了常规的装饰景观设计手法
![图片[4]-专题:室外排水设计 - 优集之狐-优集之狐](https://www.ujzhu.com/wp-content/uploads/2025/07/image-98.png)
△实施效果展示
通过实施上述常规的装饰景观设计手法,我们可以清晰地看到所设计的景观在实际中的应用效果。这些设计不仅提升了空间的美感,还为人们带来了舒适且宜人的环境体验。
![图片[5]-专题:室外排水设计 - 优集之狐-优集之狐](https://www.ujzhu.com/wp-content/uploads/2025/07/image-99-1024x659.png)
装饰井盖的设计中,四个角的位置应预留“雨”、“污”等检查井功能区分的标示,以确保后期维护检修的便捷性。特别是市政道路上的井盖,可能面临市政部门的覆盖装饰限制。尽管装饰井盖增添了美观度,但后期物业维修时确实面临一些挑战,如功能井盖的文字区分和井盖的重量问题。此外,还需特别注意,使用装饰井盖时可能需要进行两次井盖操作。
为了解决这些问题,设计师们不断探索创新,推出了更简洁美观的“无边框装饰井盖”。这种井盖设计巧妙,既保留了装饰性,又方便了后期维护。
![图片[6]-专题:室外排水设计 - 优集之狐-优集之狐](https://www.ujzhu.com/wp-content/uploads/2025/07/image-100-1024x714.png)
无边框装饰井盖的设计与实施,对施工的精细度提出了严格的要求。尽管这种井盖在美观度上有了显著的提升,但如果设计不当或施工不精细,就可能给后期的维护和检修带来不必要的麻烦。例如,如果井盖没有预留标识,就可能导致后期检修时无法准确区分“雨”、“污”等检查井的功能。因此,在设计和实施无边框装饰井盖时,必须确保施工的精细度和准确性,以确保其既美观又实用。
![图片[7]-专题:室外排水设计 - 优集之狐-优集之狐](https://www.ujzhu.com/wp-content/uploads/2025/07/image-101-1024x714.png)
△此井盖已精心预留了“污水检查井”的标识,以方便后期的维护和检修工作
![图片[8]-专题:室外排水设计 - 优集之狐-优集之狐](https://www.ujzhu.com/wp-content/uploads/2025/07/image-102-1024x646.png)
△“无边框装饰井盖”在长期使用过程中,确实能实现“隐形”般的视觉效果。然而,我们必须再次强调,明确的标示对于确保安全和维护至关重要。
二、雨水口
雨水口是专门为收集雨水而设计的构筑物,通常位于雨水管渠或合流管渠上。每当街道路面上的雨水产生时,它们会首先被雨水口捕捉,并通过连接管被引导至排水管渠中。雨水口的形状、数量以及布局,都是基于汇水面积、雨水的产生量、其泄水能力以及道路的形态来精心设计的。其目的是确保能够迅速且有效地收集地面的雨水,为城市的排水系统贡献力量。
![图片[9]-专题:室外排水设计 - 优集之狐-优集之狐](https://www.ujzhu.com/wp-content/uploads/2025/07/image-103.png)
△上图所示,正是市政道路上随处可见的“雨水口”实景。
简而言之,雨水口的主要功能是汇集地面和绿地的雨水,并经由管道引流入雨水井。而覆盖在雨水口上的那个格栅,我们称之为“雨水篦子”。现在,让我们一同探寻景观设计中常用的雨水口样式。
![图片[10]-专题:室外排水设计 - 优集之狐-优集之狐](https://www.ujzhu.com/wp-content/uploads/2025/07/image-104.png)
△绿化中常见的成品树脂雨水口
在景观设计中,成品树脂雨水口是一种常见的设施。它不仅具备汇集和引导雨水的基本功能,还能与周围的绿化环境相融合,成为一道靓丽的风景线。
![图片[11]-专题:室外排水设计 - 优集之狐-优集之狐](https://www.ujzhu.com/wp-content/uploads/2025/07/image-105.png)
△石材雨水口在铺装中的应用
在景观铺装中,石材雨水口也是一种重要的元素。它能够有效地汇集和排放雨水,同时其独特的材质和设计也能与周围的环境相协调,为铺装空间增添一份别样的美感。
![图片[12]-专题:室外排水设计 - 优集之狐-优集之狐](https://www.ujzhu.com/wp-content/uploads/2025/07/image-106.png)
△烧结砖雨水口在铺装中的应用
在景观铺装领域,烧结砖雨水口同样占据一席之地。其独特的材质和设计,使得它不仅能够高效地汇集与排放雨水,还能与周边的铺装环境和谐相融,为整个空间增添一份古朴而又不失时尚的美感。
![图片[13]-专题:室外排水设计 - 优集之狐-优集之狐](https://www.ujzhu.com/wp-content/uploads/2025/07/image-107.png)
![图片[14]-专题:室外排水设计 - 优集之狐-优集之狐](https://www.ujzhu.com/wp-content/uploads/2025/07/image-108-1024x700.png)
△不锈钢雨水口的应用
不锈钢材质的雨水口在景观铺装中同样发挥着重要作用。其耐腐蚀、耐磨损的特性,使得它能够长时间保持其功能性和美观性。与烧结砖雨水口相比,不锈钢雨水口更适用于某些特定的铺装环境,如需要更高强度和耐久性的区域。
![图片[15]-专题:室外排水设计 - 优集之狐-优集之狐](https://www.ujzhu.com/wp-content/uploads/2025/07/image-109.png)
![图片[16]-专题:室外排水设计 - 优集之狐-优集之狐](https://www.ujzhu.com/wp-content/uploads/2025/07/image-110.png)
![图片[17]-专题:室外排水设计 - 优集之狐-优集之狐](https://www.ujzhu.com/wp-content/uploads/2025/07/image-111.png)
![图片[18]-专题:室外排水设计 - 优集之狐-优集之狐](https://www.ujzhu.com/wp-content/uploads/2025/07/image-112.png)
△铺装中的石材雕花雨水口
在景观铺装中,除了不锈钢雨水口外,石材雕花雨水口也是一种常见的选择。其独特的艺术造型和坚硬的材质,使得它能够为铺装环境增添一份别样的美感。同时,石材雕花雨水口也具备出色的耐久性,能够长时间地服务于铺装环境。
![图片[19]-专题:室外排水设计 - 优集之狐-优集之狐](https://www.ujzhu.com/wp-content/uploads/2025/07/image-113.png)
△车行道中常用的预制混凝土道牙雨水口
在车行道的铺装中,预制混凝土道牙雨水口是一种常见的设施。其特点是预先制作、安装简便,能够快速有效地解决雨水排放问题。同时,这种雨水口也具备较好的耐久性,能够适应车行道的高强度使用环境。
![图片[20]-专题:室外排水设计 - 优集之狐-优集之狐](https://www.ujzhu.com/wp-content/uploads/2025/07/image-114.png)
![图片[21]-专题:室外排水设计 - 优集之狐-优集之狐](https://www.ujzhu.com/wp-content/uploads/2025/07/image-115.png)
![图片[22]-专题:室外排水设计 - 优集之狐-优集之狐](https://www.ujzhu.com/wp-content/uploads/2025/07/image-116.png)
![图片[23]-专题:室外排水设计 - 优集之狐-优集之狐](https://www.ujzhu.com/wp-content/uploads/2025/07/image-117.png)
△道牙侧排雨水口的设计与应用
在车行道铺装中,道牙侧排雨水口是一种重要的设计元素。其独特之处在于能够有效地将雨水从道路两侧排出,从而避免积水对车行道的影响。这种设计不仅简洁实用,而且能够显著提升车行道的使用体验和安全性。
![图片[24]-专题:室外排水设计 - 优集之狐-优集之狐](https://www.ujzhu.com/wp-content/uploads/2025/07/image-118.png)
![图片[25]-专题:室外排水设计 - 优集之狐-优集之狐](https://www.ujzhu.com/wp-content/uploads/2025/07/image-119.png)
△道牙侧排雨水口的设计
道牙侧排雨水口是车行道铺装中的一项关键设计。其设计巧妙,能够高效地将道路两侧的雨水排出,从而防止积水对车行道造成不利影响。这种设计不仅实用性强,而且能有效提升车行道的使用体验和安全性。
![图片[26]-专题:室外排水设计 - 优集之狐-优集之狐](https://www.ujzhu.com/wp-content/uploads/2025/07/image-120.png)
![图片[27]-专题:室外排水设计 - 优集之狐-优集之狐](https://www.ujzhu.com/wp-content/uploads/2025/07/image-121-1024x679.png)
△绿地中的石材雨水口设计
在绿地的铺装中,石材雨水口的设计同样至关重要。它能够迅速汇集并排出绿地表面的雨水,减少积水对绿地植物和铺装材料的影响,确保绿地的生态平衡和美观度。这种设计不仅注重实用性,更体现了对生态环境保护的深刻理念。
![图片[28]-专题:室外排水设计 - 优集之狐-优集之狐](https://www.ujzhu.com/wp-content/uploads/2025/07/image-122-1024x487.png)
![图片[29]-专题:室外排水设计 - 优集之狐-优集之狐](https://www.ujzhu.com/wp-content/uploads/2025/07/image-123-1024x704.png)
△石材边缘雨水口设计
在绿地铺装中,石材收边雨水口的设计同样不容忽视。它巧妙地结合了实用性与美观性,不仅有助于迅速汇集和排出绿地表面的雨水,还能有效保护石材边缘,延长其使用寿命。这种设计不仅注重功能性,更在细节上体现了对生态环境保护的深思熟虑。
![图片[30]-专题:室外排水设计 - 优集之狐-优集之狐](https://www.ujzhu.com/wp-content/uploads/2025/07/image-124-1024x722.png)
△成品PC砖雨水口的设计与应用
在绿地铺装领域,成品PC砖雨水口的设计同样展现出其独特魅力。这种雨水口不仅制作精良,更在实用性上大放异彩。它能够高效汇集和排放绿地表面的雨水,同时,其坚固耐用的特性也能有效保护石材边缘,确保铺装的长久耐用。这种设计不仅注重功能性,更在细节上体现了对环保理念的深入贯彻。
![图片[31]-专题:室外排水设计 - 优集之狐-优集之狐](https://www.ujzhu.com/wp-content/uploads/2025/07/image-125.png)
至此,本文关于雨水井与雨水口的探讨告一段落。愿各位设计师在创作中既能注重实用性,又不失审美观,力求达到既美观又实用的设计效果。




















- 最新
- 最热
只看作者